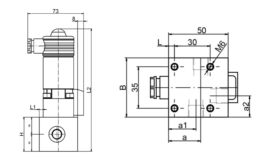
Válvula Solenóide CSV
A válvula controlada eletricamente CSV é usada como um elemento de controle que serve para separar e Conner as partes autônomas de circuitos lubrificantes e hidráulicos ramificados que operam com óleo e graxa plástica. Nas válvulas convencionais, a graxa tem uma tendência de aderir aqui e causar um bloqueio. A construção da válvula CSV precedens e impede esse fenômeno.
A válvula solenóide CSV é adequada para todos os tipos de sistemas de lubrificação central, o que permite aumentar a variabilidade dos modos funcionais de circuitos de controle mais complicados com separação controlada externamente e conexão de ramos que requerem diferentes taxas de lubrificação.
CN
EN
ru
fr
de
es
pt
ar
hi
id
tr
it
pl
nl


