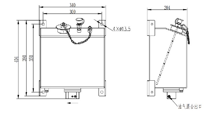
Bomba de lubrificação da flange da roda AOP
A bomba opera medindo o lubrificante homogeneizado, com o volume pré-ajustado na unidade da bomba. Usando ar comprimido como meio de transporte, ele entrega o lubrificante através de distribuidores de fluxo aos bicos de pulverização, onde é aplicado uniformemente ao flange da roda. O sistema requer apenas uma única linha para transportar o lubrificante e o ar comprimido.
Quando as condições de fluxo nas linhas de saída são semelhantes, a mistura de ar-lubrificante é dividida igualmente dentro do distribuidor de fluxo. O sistema completo consiste em um tanque, uma bomba de êmbolo, distribuidores de fluxo e bicos de pulverização correspondentes. Todos os componentes móveis são integrados ao módulo de lubrificação, facilitando o fácil acesso e substituição. Como nem os distribuidores de fluxo nem os bicos de pulverização contêm peças móveis, o tempo de manutenção e os custos são significativamente reduzidos.
CN
EN
ru
fr
de
es
pt
ar
hi
id
tr
it
pl
nl

