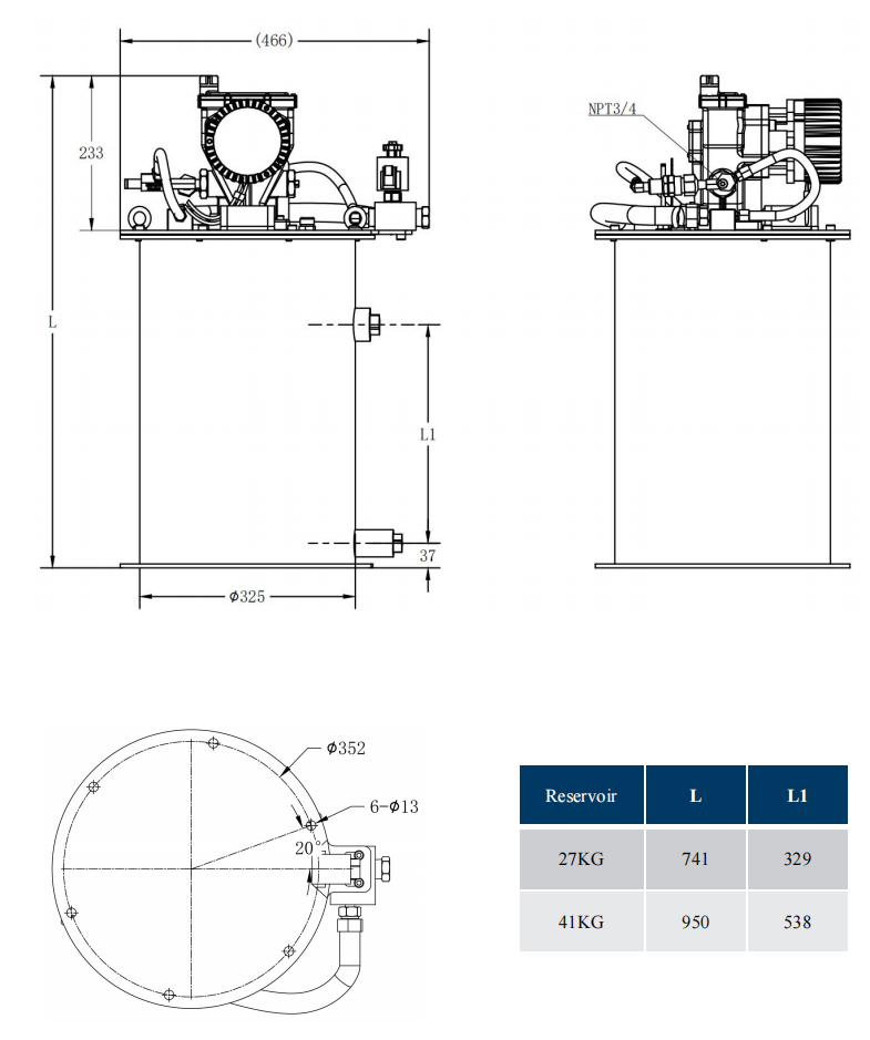
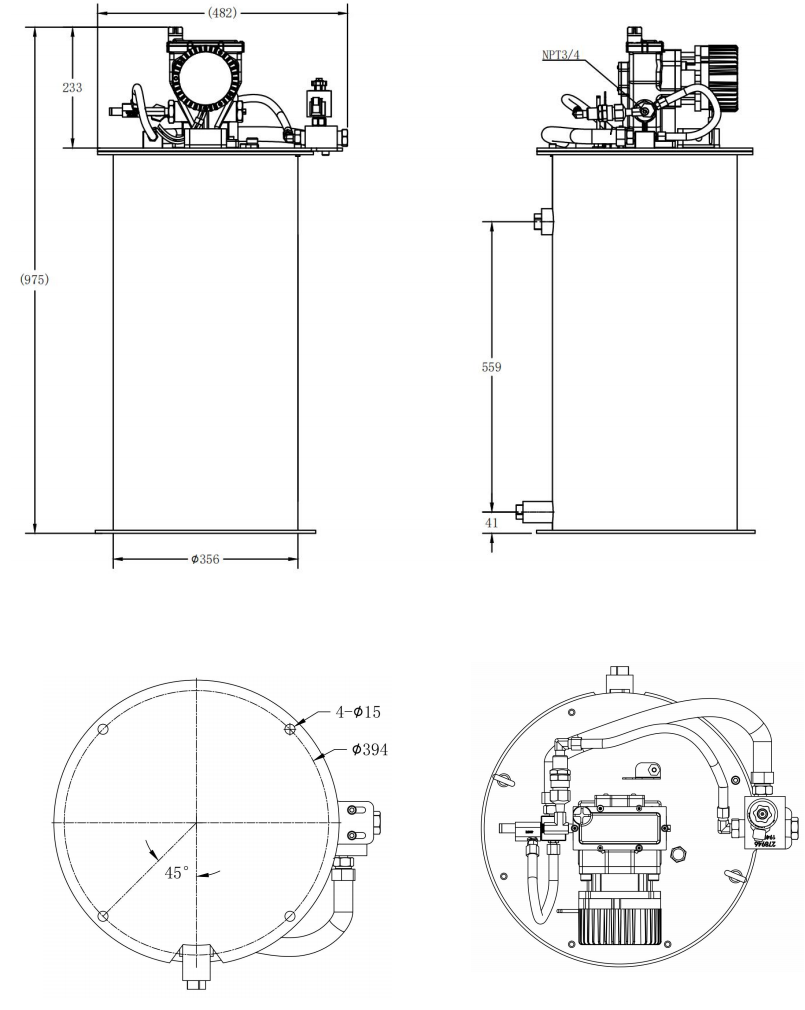
LUBESTAR Bomba Elétrica
Compacto e versátil, tem uma unidade rotativa única e configuração de engrenagem modular, permitindo que você ajuste a velocidade de saída da bomba
Motor para se adequar às suas diferentes aplicações.
As bombas Lubestar podem ser conectadas a 24 V DC, e o movimento gerado pela rotação do motor é convertido em movimento alternativo da bomba, fornecendo fluxo de lubrificante eficiente. O uso de motores sem escova eficientes, saída de alto torque, baixo ruído, pode garantir a saída estável da bomba de lubrificante em alta pressão.
O deslocamento mais alto é particularmente adequado para sistemas de lubrificação de linha única ou sistemas de lubrificação de linha dupla. Portanto, a bomba é muito compacta e pode ser instalada em quase qualquer lugar.
CN
EN
ru
fr
de
es
pt
ar
hi
id
tr
it
pl
nl


